Disponibil

Informații privind modificările produselor Imaginile au caracter orientativ și pot exista diferențe minore față de produsele fizice.

    BOILER PARDOSEALA 2 SERPENTINE IN PARALEL 300 TESY EV 13S+17S 300 65 cl-B  304892

BOILER PARDOSEALA 2 SERPENTINE IN PARALEL 300 TESY EV 13S+17S 300 65 cl-B 304892

TESYSOLBEVPAR300S2304892
Prețul dumneavoastră
3.367,01 lei / fără TVA
4.074,08  lei/ TVA inclus

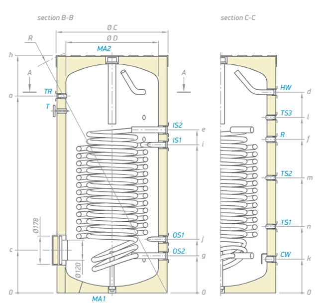
Boiler Tesy de pardoseală, cu încălzire indirectă pentru producerea de apă caldă menajeră, conceput cu două schimbătoare de căldură/serpentine în paralel.
Garanție:
Garanția comercială este de 2 ani.

Cantitate

TESYSOLBEVPAR300S2304892

Boilerele Tesy cu două serpentine în paralel sunt special concepute pentru sisteme de panouri solare termice. Protecția anticorozivă de înaltă calitate a suprafeței rezervorului face ca măcar 2 ani să poți uita de ele.

Boilerele din gama Tesy cu două serpentine în paralel, sunt recipiente de producere și acumulare a apei calde, izolate termic cu poliuretan pentru a menține apa din ele la o temperatură constantă.

Boilerele cu două serpentine în paralel sunt concepute cu două schimbătoare de căldură integrate cu suprafață similară de transfer de căldură, permițând conectarea la două surse de căldură și încălzirea eficientă a volumului complet al apei.

Protecția anticorozivă este asigurată de emailul Crystaltech PRO și de către cei doi anozi de magneziu care protejează întreaga suprafață interioară a rezervorului pentru o durată de funcționare mai mare a produsului.

Sudura cu plasmă a rezervorului asigură o grosime a stratului de sudură identică cu cea a tablei din oțel, precum și o suprafață plană și netedă. Astfel este posibilă realizarea unei acoperiri de înaltă calitate cu emailul de protecție.
Tehnologia Insutech utilizată pentru realizarea unei izolații poliuretanice uniforme și cu o densitate ridicată păstrează apa caldă la temperatură optimă mai mult timp.

În timpul funcționării normale a boilerului, sub acțiunea temperaturii pe suprafața încălzitorului, se poate depune calcar. Acesta înrăutățește schimbul de căldură. Din acest motiv, producătorul recomandă efectuarea unei revizii a boilerului la fiecare 2 ani de către un centru sau unitate de service autorizată. Această revizie trebuie să includă curățarea și verificarea anodului de magneziu și în caz de necesitate să fie înlocuit cu unul nou. Pentru a curăța exterior aparatul, folosiți o lavetă umedă. Nu folosiți preparate abrazive sau cele care conțin diluanți. Nu turnați apă pe aparat!

Calitatea boilerelor Tesy este garantată de sistemul de management al calității integrat ISO/IEC 17050-1:2004.
Boilerele Tesy sunt în conformitate cu următoarele standarde:
1. EN 12897:2006 “Alimentare cu apă – specificații pentru încălzirea indirectă în rezervoare de acumulare a apei”
2. DIN 4753 „Procesul de încălzire a apei calde prin intermediul boilerelor“

Fiecare Boiler Tesy de pardoseală cu două serpentine în paralel este ambalat individual pe palet și este înfoliat pentru a fi protejat corespunzător pe durata depozitării și transportului.

Boilerul trebuie montat într-un loc în care nu poate fi stropit, udat cu apă. Este prevăzut numai pentru exploatare în spații interioare închise în care temperatura nu coboară sub 4°C.
Este obligatorie montarea supapei de siguranță. Ea se instalează la intrarea apei reci în conformitate cu săgeata de pe corpul ei, care indică sensul de curgere a apei. Nu se admite montarea altei armături de obturare între supapă și dispozitiv.
Supapa de siguranță și întreaga instalație de alimentare cu apă trebuie să fie protejate împotriva înghețului.
Pentru funcționarea fără pericol a boilerului, supapa de siguranță trebuie periodic verificată dacă funcționează normal (să nu fie blocată), iar pentru regiunile cu apă calcaroasă să fie curățat calcarul depus.
În cazul în care temperatura din încăpere scade sub 0 °C, boilerul trebuie golit.

Schema de montaj boilere cu două serpentine în paralel conectate la un sistem solar și o centrală termică pe gaz:

img

Temperatura maximă de lucru a acestora este de 95°C iar a schimbătorului de căldură de 110 °C.
Presiunea nominală a rezervorului de apă este de 8 bar iar presiunea nominală a schimbătorului de căldură este de 6 bar.

Supapa de siguranță și termometru.

Boilere cu două schimbătoare de căldură paralele de la 200 L până la 500 L.

img
img
img
TESYSOLBEVPAR300S2304892
Nou

Fișă tehnică

Categorie S1
BOILERE DE PARDOSEALA
Model constructiv
Vertical
Numar serpentine
Doua serpentine
Producator S1
TESY
Volum
300

8 alte produse în aceeași categorie:

Stoc Redus
REZERVOR HYG CU SERP. ACM + 2 SERP. AT 800 TESY V 10/6 S2 800 95 HYG5.5 C  cl-C  303829

Acest model de rezervor TESY este fabricat din tablă de oțel care este destinat acumulării și distribuirii agentului termic, fiind prevăzut cu o serpentină cu suprafață mare de schimb de căldură în partea inferioară și cu o serpentină destinată conectării la sursa terță de căldură în partea superioară. Acest rezervor combină acumularea agentului termic şi producţia apei calde menajere (ACM) prin serpentina din inox încorporată în plus.
Garanția comercială este de 2 ani.